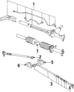
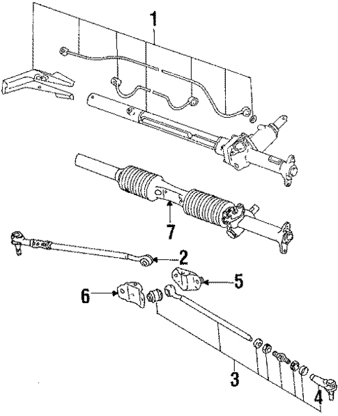
Steering Gear & Linkage for 1986 Audi 5000 Quattro
No.
Part # / Description / Price
Price
4
Steering Tie Rod End
Audi
Audi Positions: Right
Description: 200 series. With Quattro. Right. From Chassis/VIN 4A-P-001984.
4
Steering Tie Rod End
Audi
Audi Positions: Left
Description: 200 series. With Quattro. Left. From Chassis/VIN 4A-P-001984.
1 This price excludes a refundable manufacturer's core charge. Add the part to your cart to see the core charge.
No.
Part # / Description / Price
Price
N/A
3
Steering Gear 1
Audi
Audi Description: 5000. 100 & 200 series. From Chassis/VIN 8A-M-054850. Short Unit. Exc.Servotronic Steering.
1 This price excludes a refundable manufacturer's core charge. Add the part to your cart to see the core charge.
No.
Part # / Description / Price
Price
